Briggs And Stratton Generator Codes . The most common briggs & stratton generator problems are: If your briggs and stratton generator has a blinking blue light, it indicates that the co shutdown system is functioning properly. 15000 watt home generator system service & troubleshooting manual models 040213 & 040234. Generator bogs down under load; 15000 watt home generator system. Maintenance procedures for briggs & stratton home standby generator systems. This manual was written to assist engine technicians and service personnel with the repair and maintenance procedures for standby. View and download briggs & stratton 076000ng service & troubleshooting manual online. It assumes that persons using this manual have been properly. Generator starts and then dies; View and download briggs & stratton 040213 service and troubleshooting manual online.
from ahernbrucker.blogspot.com
It assumes that persons using this manual have been properly. 15000 watt home generator system service & troubleshooting manual models 040213 & 040234. Generator starts and then dies; 15000 watt home generator system. If your briggs and stratton generator has a blinking blue light, it indicates that the co shutdown system is functioning properly. The most common briggs & stratton generator problems are: View and download briggs & stratton 040213 service and troubleshooting manual online. View and download briggs & stratton 076000ng service & troubleshooting manual online. This manual was written to assist engine technicians and service personnel with the repair and maintenance procedures for standby. Maintenance procedures for briggs & stratton home standby generator systems.
plan bgoing to market [36+] Wiring Diagram For 16 Hp Briggs And
Briggs And Stratton Generator Codes This manual was written to assist engine technicians and service personnel with the repair and maintenance procedures for standby. 15000 watt home generator system service & troubleshooting manual models 040213 & 040234. Generator bogs down under load; It assumes that persons using this manual have been properly. 15000 watt home generator system. The most common briggs & stratton generator problems are: View and download briggs & stratton 076000ng service & troubleshooting manual online. Maintenance procedures for briggs & stratton home standby generator systems. View and download briggs & stratton 040213 service and troubleshooting manual online. This manual was written to assist engine technicians and service personnel with the repair and maintenance procedures for standby. If your briggs and stratton generator has a blinking blue light, it indicates that the co shutdown system is functioning properly. Generator starts and then dies;
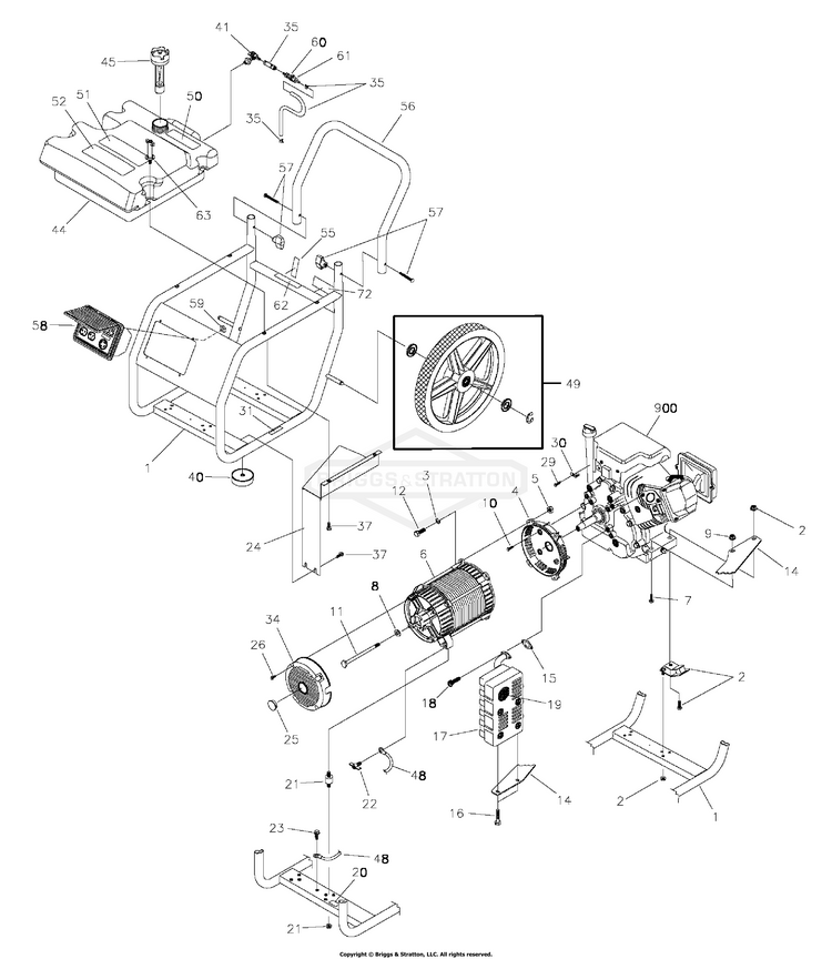
From www.partswarehouse.com
0302530 Briggs and Stratton Generator 5,550 Watt PartsWarehouse Briggs And Stratton Generator Codes The most common briggs & stratton generator problems are: This manual was written to assist engine technicians and service personnel with the repair and maintenance procedures for standby. Maintenance procedures for briggs & stratton home standby generator systems. Generator bogs down under load; View and download briggs & stratton 040213 service and troubleshooting manual online. View and download briggs &. Briggs And Stratton Generator Codes.
From selectsafety.net
Briggs & Stratton 5000 Watt Portable Generator Error Codes & Fixes Briggs And Stratton Generator Codes This manual was written to assist engine technicians and service personnel with the repair and maintenance procedures for standby. View and download briggs & stratton 076000ng service & troubleshooting manual online. If your briggs and stratton generator has a blinking blue light, it indicates that the co shutdown system is functioning properly. It assumes that persons using this manual have. Briggs And Stratton Generator Codes.
From selectsafety.net
Briggs & Stratton P2400 Inverter Generator Error Codes & Fixes Briggs And Stratton Generator Codes View and download briggs & stratton 040213 service and troubleshooting manual online. 15000 watt home generator system service & troubleshooting manual models 040213 & 040234. If your briggs and stratton generator has a blinking blue light, it indicates that the co shutdown system is functioning properly. It assumes that persons using this manual have been properly. Generator bogs down under. Briggs And Stratton Generator Codes.
From www.manualslib.com
BRIGGS & STRATTON 030635A00 WIRING DIAGRAM Pdf Download ManualsLib Briggs And Stratton Generator Codes This manual was written to assist engine technicians and service personnel with the repair and maintenance procedures for standby. Maintenance procedures for briggs & stratton home standby generator systems. Generator bogs down under load; If your briggs and stratton generator has a blinking blue light, it indicates that the co shutdown system is functioning properly. 15000 watt home generator system. Briggs And Stratton Generator Codes.
From selectsafety.net
Briggs & Stratton 5750 Watt Portable Generator Error Codes & Fixes Briggs And Stratton Generator Codes Maintenance procedures for briggs & stratton home standby generator systems. View and download briggs & stratton 040213 service and troubleshooting manual online. This manual was written to assist engine technicians and service personnel with the repair and maintenance procedures for standby. Generator bogs down under load; 15000 watt home generator system. It assumes that persons using this manual have been. Briggs And Stratton Generator Codes.
From moowiring.com
Exploring The Briggs And Stratton Wiring Diagram Moo Wiring Briggs And Stratton Generator Codes 15000 watt home generator system. Maintenance procedures for briggs & stratton home standby generator systems. This manual was written to assist engine technicians and service personnel with the repair and maintenance procedures for standby. Generator bogs down under load; Generator starts and then dies; View and download briggs & stratton 076000ng service & troubleshooting manual online. 15000 watt home generator. Briggs And Stratton Generator Codes.
From www.powerequipmenttrade.com
Briggs & Stratton Elite Series Generators Power Equipment Trade Briggs And Stratton Generator Codes View and download briggs & stratton 076000ng service & troubleshooting manual online. 15000 watt home generator system. This manual was written to assist engine technicians and service personnel with the repair and maintenance procedures for standby. Generator starts and then dies; View and download briggs & stratton 040213 service and troubleshooting manual online. If your briggs and stratton generator has. Briggs And Stratton Generator Codes.
From selectsafety.net
Briggs & Stratton 7000 Watt Generator Error Codes & Fixes Briggs And Stratton Generator Codes View and download briggs & stratton 076000ng service & troubleshooting manual online. The most common briggs & stratton generator problems are: 15000 watt home generator system service & troubleshooting manual models 040213 & 040234. 15000 watt home generator system. Maintenance procedures for briggs & stratton home standby generator systems. This manual was written to assist engine technicians and service personnel. Briggs And Stratton Generator Codes.
From selectsafety.net
Briggs & Stratton 6250 Generator Error Codes & Fixes Briggs And Stratton Generator Codes View and download briggs & stratton 040213 service and troubleshooting manual online. It assumes that persons using this manual have been properly. If your briggs and stratton generator has a blinking blue light, it indicates that the co shutdown system is functioning properly. Maintenance procedures for briggs & stratton home standby generator systems. Generator starts and then dies; This manual. Briggs And Stratton Generator Codes.
From www.grays.com
Vanguard 16 HP VTwin Generator Briggs & Stratton Motor Auction (0010 Briggs And Stratton Generator Codes Maintenance procedures for briggs & stratton home standby generator systems. Generator bogs down under load; It assumes that persons using this manual have been properly. If your briggs and stratton generator has a blinking blue light, it indicates that the co shutdown system is functioning properly. 15000 watt home generator system. The most common briggs & stratton generator problems are:. Briggs And Stratton Generator Codes.
From www.partswarehouse.com
0302520 Briggs and Stratton Generator 4,000 Watt PartsWarehouse Briggs And Stratton Generator Codes 15000 watt home generator system. Generator starts and then dies; Maintenance procedures for briggs & stratton home standby generator systems. View and download briggs & stratton 040213 service and troubleshooting manual online. It assumes that persons using this manual have been properly. The most common briggs & stratton generator problems are: Generator bogs down under load; 15000 watt home generator. Briggs And Stratton Generator Codes.
From www.youtube.com
Briggs & Stratton Vanguard 37hp EFI Fault Code Diagnostics & Ignition Briggs And Stratton Generator Codes Generator starts and then dies; 15000 watt home generator system service & troubleshooting manual models 040213 & 040234. If your briggs and stratton generator has a blinking blue light, it indicates that the co shutdown system is functioning properly. It assumes that persons using this manual have been properly. The most common briggs & stratton generator problems are: View and. Briggs And Stratton Generator Codes.
From www.jackssmallengines.com
Briggs and Stratton Power Products 03079600 Q6500, 50Hz 6,500 Watt Briggs And Stratton Generator Codes Generator bogs down under load; 15000 watt home generator system. Maintenance procedures for briggs & stratton home standby generator systems. If your briggs and stratton generator has a blinking blue light, it indicates that the co shutdown system is functioning properly. This manual was written to assist engine technicians and service personnel with the repair and maintenance procedures for standby.. Briggs And Stratton Generator Codes.
From beupp.com
4 Best Briggs And Stratton Generator Reviews & Buyer's Guide Briggs And Stratton Generator Codes Generator starts and then dies; 15000 watt home generator system. This manual was written to assist engine technicians and service personnel with the repair and maintenance procedures for standby. Generator bogs down under load; The most common briggs & stratton generator problems are: 15000 watt home generator system service & troubleshooting manual models 040213 & 040234. Maintenance procedures for briggs. Briggs And Stratton Generator Codes.
From www.partstree.com
Briggs & Stratton 0303200 Briggs & Stratton 4,000 Watt Portable Briggs And Stratton Generator Codes View and download briggs & stratton 076000ng service & troubleshooting manual online. The most common briggs & stratton generator problems are: If your briggs and stratton generator has a blinking blue light, it indicates that the co shutdown system is functioning properly. Generator bogs down under load; This manual was written to assist engine technicians and service personnel with the. Briggs And Stratton Generator Codes.
From selectsafety.net
Briggs & Stratton 5500 Watt Portable Generator Error Codes & Fixes Briggs And Stratton Generator Codes It assumes that persons using this manual have been properly. 15000 watt home generator system service & troubleshooting manual models 040213 & 040234. If your briggs and stratton generator has a blinking blue light, it indicates that the co shutdown system is functioning properly. This manual was written to assist engine technicians and service personnel with the repair and maintenance. Briggs And Stratton Generator Codes.
From ahernbrucker.blogspot.com
plan bgoing to market [36+] Wiring Diagram For 16 Hp Briggs And Briggs And Stratton Generator Codes If your briggs and stratton generator has a blinking blue light, it indicates that the co shutdown system is functioning properly. 15000 watt home generator system. Generator bogs down under load; It assumes that persons using this manual have been properly. This manual was written to assist engine technicians and service personnel with the repair and maintenance procedures for standby.. Briggs And Stratton Generator Codes.
From www.electricgeneratorsdirect.com
Briggs & Stratton 040783 PowerProtectâ„¢ PP22 22kW Generator System Briggs And Stratton Generator Codes Maintenance procedures for briggs & stratton home standby generator systems. 15000 watt home generator system. Generator bogs down under load; View and download briggs & stratton 040213 service and troubleshooting manual online. It assumes that persons using this manual have been properly. This manual was written to assist engine technicians and service personnel with the repair and maintenance procedures for. Briggs And Stratton Generator Codes.